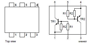
Features: · Built-in bias resistors· Simplifies circuit design· Reduces component count· Reduces pick and place costs.Application· General purpose switching and amplification· Inverter and interface circuits· Circuit driver.PinoutDescriptionNPN/PNP resistor-equipped transistors PUMD2(see Simplifi...
PUMD2: Features: · Built-in bias resistors· Simplifies circuit design· Reduces component count· Reduces pick and place costs.Application· General purpose switching and amplification· Inverter and interface...
SeekIC Buyer Protection PLUS - newly updated for 2013!
268 Transactions
All payment methods are secure and covered by SeekIC Buyer Protection PLUS.
US $.02 - .03 / Piece
Transistors Switching (Resistor Biased) TRNS DOUBL RET TAPE7
US $.07 - .19 / Piece
Transistors Switching (Resistor Biased) Trans Digital BJT NPN/PNP 50V 6-Pin
