Features: • The basic gate function is lined up as Renesas uni logic series.• Supplied on emboss taping for high-speed automatic mounting.• Wide supply voltage range : 4.5 to 30 V• Operating temperature range : 40 to +85°C• All inputs VIH (Min.) = 3.5 V, VIL (Max.) = ...
RD74HV1G04: Features: • The basic gate function is lined up as Renesas uni logic series.• Supplied on emboss taping for high-speed automatic mounting.• Wide supply voltage range : 4.5 to 30 V&...
SeekIC Buyer Protection PLUS - newly updated for 2013!
268 Transactions
All payment methods are secure and covered by SeekIC Buyer Protection PLUS.
Features: • The basic gate function is lined up as Renesas uni logic series.• Supplied...
Features: • The basic gate function is lined up as Renesas uni logic series.• Supplied...
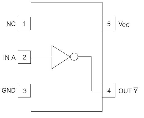
Features: • VCC = 1.65 V to 5.5 V• All inputs VIH (Max.) = 5.5 V (@VCC = 0 V to 5.5 V)...

| Item | Symbol | Ratings | Unit | Test Conditions |
| Supply voltage range | VCC | 0 to 30 | V | |
| Input voltage range *1 | VI | 0.5 to VCC + 0.5 | V | |
| Output voltage range *1, 2 | VO | 0.5 to VCC + 0.5 | V | |
| Input clamp current | IIK | ±50 | mA | VI < 0 or VI > VCC |
| Output clamp current | IOK | ±75 | mA | VO < 0 or VO > VCC |
| Continuous output current | IO | ±100 | mA | VO = 0 to VCC |
| Continuous current through VCC or GND |
ICC or IGND | ±100 | mA | |
| Maximum power dissipation at Ta = 25°C (in still air) *3 |
PT | 200 | mW | |
| Storage temperature | Tstg | 65 to 150 | °C | |
| Notes: The absolute maximum ratings are values which must not individually be exceeded, and furthermore no two of which may be realized at the same time. 1. The input and output voltage ratings may be exceeded if the input and output clamp-current ratings are observed. 2. This value is limited to 30 V maximum. 3. The maximum package power dissipation was calculated using a junction temperature of 150°C. | ||||