Features: • VCC = 1.65 V to 5.5 V• All inputs VIH (Max.) = 5.5 V (@VCC = 0 V to 5.5 V)• Typical VOL ground bounce < 0.8 V (@VCC = 3.3 V, Ta = 25°C)• Typical VOH undershoot > 2.0 V (@VCC = 3.3 V, Ta = 25°C)• High output current ±4 mA (@VCC = 1.65 V) ±8 mA (@VCC ...
RD74LVC32B: Features: • VCC = 1.65 V to 5.5 V• All inputs VIH (Max.) = 5.5 V (@VCC = 0 V to 5.5 V)• Typical VOL ground bounce < 0.8 V (@VCC = 3.3 V, Ta = 25°C)• Typical VOH undershoot...
SeekIC Buyer Protection PLUS - newly updated for 2013!
268 Transactions
All payment methods are secure and covered by SeekIC Buyer Protection PLUS.
Features: • The basic gate function is lined up as Renesas uni logic series.• Supplied...
Features: • The basic gate function is lined up as Renesas uni logic series.• Supplied...
Features: • The basic gate function is lined up as Renesas uni logic series.• Supplied...

| Item | Symbol | Ratings | Unit | Test Conditions |
| Supply voltage | VCC | 0.5 to 7.0 | V | |
| Input diode current | IIK | -50 | mA | VI = 0.5 V |
| Input voltage | VI | 0.5 to 7.0 | V | |
| Output diode current | IOK | -50 | mA | VO = 0.5 V |
| 50 | mA | VO = VCC+0.5 V | ||
| Output voltage | VO | 0.5 to VCC+0.5 | V | |
| Output current | IO | ±50 | mA | |
| VCC, GND current / pin | ICC or IGND | 100 | mA | |
| Storage temperature | Tstg | 65 to +150 | °C |
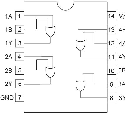
The RD74LVC32B has four 2-input OR gates in a 14 pin package. Low voltage and high speed operation is suitable at the battery drive product of RD74LVC32B (note type personal computer) and low power consumption extends the life of a battery for long time operation.