Features: • Low Noise and High Intercept Point• 18dBGain• Power Down Control• Single 3.0V Power Supply• PCS and W-CDMA Band Operation• 1.8GHz to 2.5GHz OperationApplication• CDMA PCS LNA• TDMA PCS LNA• W-CDMA/CDMA2000 LNA• General Purpose...
RF2364: Features: • Low Noise and High Intercept Point• 18dBGain• Power Down Control• Single 3.0V Power Supply• PCS and W-CDMA Band Operation• 1.8GHz to 2.5GHz OperationA...
SeekIC Buyer Protection PLUS - newly updated for 2013!
268 Transactions
All payment methods are secure and covered by SeekIC Buyer Protection PLUS.

| Parameter |
Value |
Unit |
| Supply Voltage |
-0.5 to +8.0 |
VDC |
| Input RF Power |
+10 |
dBm |
| Storage Temperature |
-40 to +150 |
°C |
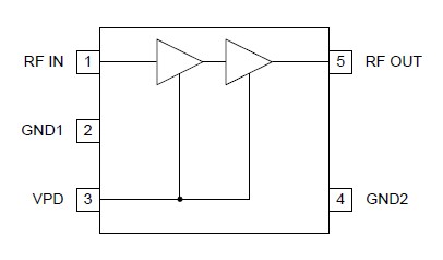
The RF2364 is a low noise amplifier with a high dynamic range designed for CDMA and TDMA PCS, as well as W-CDMA/CDMA2000 applications. RF2364 functions as an outstanding front end low noise amplifier and the bias current can be set externally. The IC includes a power down feature used to completely turn-off the device and RF2364 is featured in a standard SOT 5-lead plastic package.