Features: • 3.5% EVM @ POUT = +19 dBm with IEEE 802.11a 64 QAM OFDM at 54 Mbps• 24.5 dB of Linear Power Gain at 5 GHz• Single +3.3 V Supply• 3 mm x 3 mm x 0.9 mm LPCC• < 1 dB Gain Variation From 4.9 - 5.9 GHz• 25 dBm P1dB• 170 mA @ POUT = +19 dBm•...
RFS5032RS32P0: Features: • 3.5% EVM @ POUT = +19 dBm with IEEE 802.11a 64 QAM OFDM at 54 Mbps• 24.5 dB of Linear Power Gain at 5 GHz• Single +3.3 V Supply• 3 mm x 3 mm x 0.9 mm LPCC• ...
SeekIC Buyer Protection PLUS - newly updated for 2013!
268 Transactions
All payment methods are secure and covered by SeekIC Buyer Protection PLUS.
Features: • 3.5% EVM @ POUT = +19 dBm with IEEE 802.11a 64 QAM OFDM at 54 Mbps• 24.5 d...
Features: • 3.5% EVM @ POUT = +19 dBm with IEEE 802.11a 64 QAM OFDM at 54 Mbps• 24.5 d...

| PARAMETER | MIN | MAX | UNIT | COMMENTS |
| DC Power Supply (VCC, VCC1, VCC2) | - | +4.0 | V | |
| Power Control Level (VPC1, VPC2) | - | +4.0 | V | Applied to series resistors external to VPC pins. No RF signal applied. |
| DC Current Consumption | - | 700 | mA | |
| RF Input Level (RFIN) | - | 0 | dBm | |
| Operating Ambient Temperature | -40 | +85 | °C | |
| Storage Temperature | -55 | +150 | °C |
The ANADIGICS RFS5032RS32P0 power amplifier is a high performance InGaP HBT power amplifier IC designed for transmit applications in the 4.9-5.9GHz bands. The PA exhibits unparalleled linearity and efficiency for IEEE 802.11a WLAN systems under the toughest signal configurations within these standards. The PA is biased by a single +3.3 V supply and consumes ultra-low current in the OFF mode.
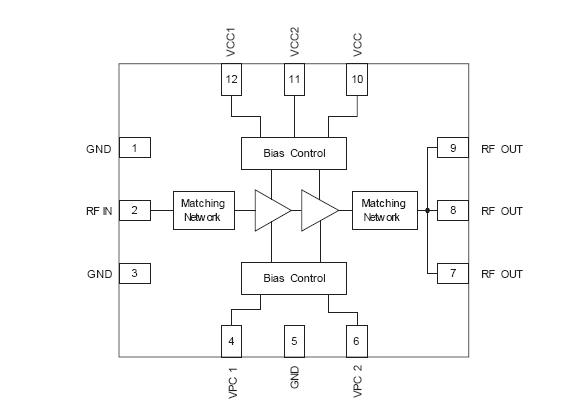
Figure 1: Block Diagram and Pinout RFS5032RS32P0 is manufactured using advanced InGaP HBT technology that offers state-of-the-art reliability, temperature stability and ruggedness. The IC is RoHS (Restrictions on Hazardous Substances) compliant, and is provided in a 3 mm x 3 mm x 0.9 mm LPCC package optimized for a 50 system.