Features: · Wide power supply range: 2 V to 5.5 V· Low current consumption: 1.0 mA max. (at 5.5 V, 25°C)· Typical propagation delay: tpd = 4.8 ns (at 5 V)· High noise immunity: VNIH=VNIL=28% VCC minimum· Power down protection: All pins· Very small plastic package: SC-88AApplication· Personal compu...
S-75V86ANC: Features: · Wide power supply range: 2 V to 5.5 V· Low current consumption: 1.0 mA max. (at 5.5 V, 25°C)· Typical propagation delay: tpd = 4.8 ns (at 5 V)· High noise immunity: VNIH=VNIL=28% VCC min...
SeekIC Buyer Protection PLUS - newly updated for 2013!
268 Transactions
All payment methods are secure and covered by SeekIC Buyer Protection PLUS.
Features: · Wide power supply range: 1 to 3.6 V· Low current consumption: 1.0 mA maximum (at 3.6 V...

| Item | Symbol | Conditions | Ratings | Unit |
| Power Supply Voltage | VCC | -0.5 to +7.0 | V | |
| Input Voltage | VIN | -0.5 to +7.0 | V | |
| Output Voltage | VOUT | -0.5 to VCC+0.5 | V | |
| Input Parasitic Diode Current |
IIK | -20 | mA | |
| Output Parasitic Diode Current |
IOK | ±20 | mA | |
| Output Current | IOUT | ±25 | mA | |
| VCC/GND Current | ICC | ±50 | mA | |
| Power Dissipation | PD | 200 | mW | |
| Storage Temp. Range | Tstg | -65 to +150 | °C | |
| Lead Temperature (10 sec.) |
TL | 260 | °C |
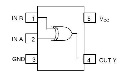
The S-75V86ANC is a EXCLUSIVE OR GATE fabricated by utilizing advanced silicon-gate CMOS technology which provides the inherent benefit of CMOS low power consumption to achieve ultra high speed operation correspond to LSTTL IC's.
All gates of the internal circuitry have buffered outputs to ensure high noise immunity and output stability.
Input voltage is allowed to be applied even if power voltage is not supplied because no diode is inserted between an input pin and VCC. This allows for interfaces between power supplies of different voltage, output level conversion from 5 V to 3 V and battery backup applications.