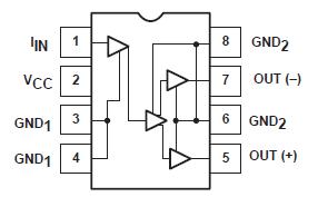
Features: • Extremely low noise: 2.5pAHz• Single 5V supply• Large bandwidth: 140MHz• Differential outputs• Low input/output impedances• 14kW differential transresistance• ESD hardenedApplication• Fiber-optic receivers, analog and digital• Curre...
SA5212A: Features: • Extremely low noise: 2.5pAHz• Single 5V supply• Large bandwidth: 140MHz• Differential outputs• Low input/output impedances• 14kW differential transres...
SeekIC Buyer Protection PLUS - newly updated for 2013!
268 Transactions
All payment methods are secure and covered by SeekIC Buyer Protection PLUS.

|
SYMBOL |
PARAMETER |
SA5212A |
UNIT |
|
VCC |
Power Supply |
6 |
V |
|
PD MAX |
Power dissipation, TA=25°C (still air)1 8-Pin Plastic DIP 8-Pin Plastic SO 8-Pin Cerdip |
1100 750 750 |
mW mW mW |
|
IIN MAX |
Maximum input current2 |
5 |
mA |
|
TA |
Operating ambient temperature range |
-40 to 85 |
°C |
|
TJ |
Operating junction |
-55 to 150 |
°C |
|
TSTG |
Storage temperature range |
-65 to 150 |
°C |
The SA5212A is a 14kW transimpedance, wideband, low noise differential output amplifier, SA5212A is particularly suitable for signal recovery in fiber optic receivers and in any other applications where very low signal levels obtained from high-impedance sources need to be amplified.