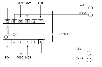
Features: • 2-axis inclination measurement (X and Y)• Available ranges ±0.5g (±30°), ±1.0g (±90°)• Sensing element controlled frequency response• DIL-12 plastic SMD package, lead free reflow solderable• Advanced internal and external connection failure detection•...
SCA100T: Features: • 2-axis inclination measurement (X and Y)• Available ranges ±0.5g (±30°), ±1.0g (±90°)• Sensing element controlled frequency response• DIL-12 plastic SMD package, ...
SeekIC Buyer Protection PLUS - newly updated for 2013!
268 Transactions
All payment methods are secure and covered by SeekIC Buyer Protection PLUS.
US $28.63 - 43.31 / Piece
Vibration & Tilt Sensors 2-Axis Inclinometer Analog
