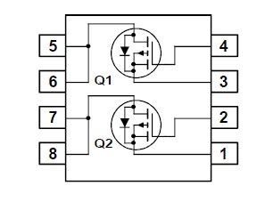
MOSFET SO8 DUAL PCH
SeekIC Buyer Protection PLUS - newly updated for 2013!
268 Transactions
All payment methods are secure and covered by SeekIC Buyer Protection PLUS.
| Transistor Polarity : | P-Channel | Drain-Source Breakdown Voltage : | - 20 V | ||
| Gate-Source Breakdown Voltage : | +/- 12 V | Continuous Drain Current : | - 5 A | ||
| Resistance Drain-Source RDS (on) : | 36 m Ohms | Configuration : | Dual Dual Drain | ||
| Maximum Operating Temperature : | + 150 C | Mounting Style : | SMD/SMT | ||
| Package / Case : | SO-8 | Packaging : | Reel |

| Symbol | Parameter | Si4920DY | Units |
| VDSS | Drain-Source Voltage | -20 | V |
| VGSS | Gate-Source Voltage | ±12 | V |
| ID | Drain Current - Continuous (Note 1a) - Pulsed |
-5 | A |
| -30 | |||
| PD | Power Dissipation for Dual Operation | 2.0 | W |
| Power Dissipation for Single Operation (Note 1a (Note 1b) (Note 1c) |
1.6 | ||
| 0.9 | |||
| TJ, Tstg | Operating and Storage Junction Temperature Range | -55 to +175 | °C |
| THERMAL CHARACTERISTICS | |||
| RJA | Thermal Resistance, Junction-to-Ambient (Note 1a) | 78 | °C/W |
| RJC | Thermal Resistance, Junction-to-Case (Note 1) | 40 | °C/W |