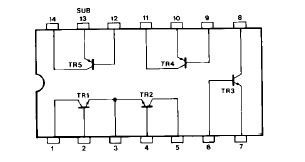
Features: · fT Typically 1.6GHz· Wideband Noise Figure 3.0dB· VBE Matching Better Than 5mVApplication· Wide Band Amplifiers· PCM Regenerators· High Speed Interface Circuits· High Performance Instrumentation Amplifiers· High Speed ModemsPinoutDescriptionThe SL3145 is a monolithic array of five high...
SL3145: Features: · fT Typically 1.6GHz· Wideband Noise Figure 3.0dB· VBE Matching Better Than 5mVApplication· Wide Band Amplifiers· PCM Regenerators· High Speed Interface Circuits· High Performance Instrum...
SeekIC Buyer Protection PLUS - newly updated for 2013!
268 Transactions
All payment methods are secure and covered by SeekIC Buyer Protection PLUS.

The SL3145 is a monolithic array of five high frequency low current NPN transistors. The SL3145 consists of 3 isolated transistors and a differential pair in a 14 lead SO package The transistors exhibit typical fTS of 1.6GHz and wideband noise figures of 3.0dB The device is pin compatible with the CA3046.