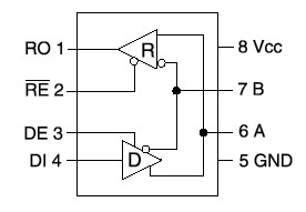
PinoutSpecificationsVCC................................................................................................+7VInput VoltagesLogic.....................................................................-0.3V to (VCC+0.5V)Drivers.................................................................
SP481E: PinoutSpecificationsVCC................................................................................................+7VInput VoltagesLogic............................................................
SeekIC Buyer Protection PLUS - newly updated for 2013!
268 Transactions
All payment methods are secure and covered by SeekIC Buyer Protection PLUS.
US $.66 - 1.16 / Piece
Universal Bus Functions RS485 10000 kbps 5V temp 0C to 70C

| Specifications | |
| Vcc (V) | 5 |
| No. of Tx | 1 |
| No. of Rx | 1 |
| Duplex | Half |
| Data Rate (kbps) | 10000 |
| ESD (KV) | 15 |
| Typ. Shutdown ICC (A) | 1 |
| Rx Fail-Safe Open | Yes |
| Multi-Drop Nodes | 32 |
The SP481E and the SP485E are a family of half-duplex transceivers that meet the specifications of RS-485 and RS-422 serial protocols with enhanced ESD performance. The ESD tolerance has been improved on these devices to over +15KV for both Human Body Model and IEC1000-4-2 Air Discharge Method. These devices are pin-to-pin compatible with Sipex's SP481 and SP485 devices as well as popular industry standards. As with the original versions, the SP481E and the SP485E feature Sipex's BiCMOS design allowing low power operation without sacrificing performance. The SP481E and SP485E meet the requirements of the RS-485 and RS-422 protocols up to 10Mbps under load. The SP481E is equipped with a low power Shutdown mode.