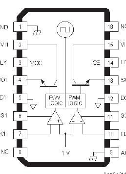
Features: To 20 V Input Range Adjustable 1 V to 16 V Output Range 1% Output Voltage Tolerance To 1.5 A Output CurrentFoldback Current LimitingConstant 250 kHz Switching Frequency1.0 A Maximum Standby Current1.0 V Feedback Reference VoltageSoft Start Avoids ...
SPI-8001TW: Features: To 20 V Input Range Adjustable 1 V to 16 V Output Range 1% Output Voltage Tolerance To 1.5 A Output CurrentFoldback Current LimitingConstant 250 kH...
SeekIC Buyer Protection PLUS - newly updated for 2013!
268 Transactions
All payment methods are secure and covered by SeekIC Buyer Protection PLUS.
Features: · GaAs Infrared LED plus Single Phototransistor· Photo-Interrupter· Contact type· Compac...
Features: · GaAs Infrared LED plus Single Phototransistor· Photo-Interrupter· Contact type· Compac...
Features: · GaAs Infrared LED plus Single Phototransistor· Photo-Interrupter· Contact type· Compac...

Designed to meet high-current requirements at high efficiency in industrial and consumer applications; embedded core, memory, or logic supplies; TVs, VCRs, and office equipment, the SPI-8001TW dc/dc step-down (buck) converter offers a constant 250 kHz switching frequency essential for small external components. The n-channel highcurrent FET is included on the die along with the oscillator, control, and logic circuitry.
A wide input voltage range and integrated thermal and overcurrent protection enhance overall system reliability. Reference accuracy and excellent temperature characteristics are provided. A chip-enable input gives the designer complete control over power up, standby, or power down. A similar device, with increased input and output voltage ratings, is the SPI-8002TW.
This device is supplied in a 16-lead surface-mount plastic SOIC with exposed pad to provide a low-resistance path for maximum power dissipation, low junction temperature, and improved reliability.
Designed to meet high-current requirements at high efficiency in industrial and consumer applications; embedded core, memory, or logic supplies; TVs, VCRs, and office equipment, the SPI-8001TW dc/dc step-down (buck) converter offers a constant 250 kHz switching frequency essential for small external components. The n-channel highcurrent FET is included on the die along with the oscillator, control, and logic circuitry.
A wide input voltage range and integrated thermal and overcurrent protection enhance overall system reliability. SPI-8001TW Reference accuracy and excellent temperature characteristics are provided. A chip-enable input gives the designer complete control over power up, standby, or power down. A similar device, with increased input and output voltage ratings, is the SPI-8002TW.
This SPI-8001TW is supplied in a 16-lead surface-mount plastic SOIC with exposed pad to provide a low-resistance path for maximum power dissipation, low junction temperature, and improved reliability.