Features: · ESD protection to IEC 61000-4-2, Level 4· Array of surge rated diodes with internal TVS Diode· Small package saves board space· Protects four I/O lines· Low capacitance (<5pF) for high-speed interfaces· Low clamping voltage· Low operating voltage: 5.0V· Solid-state silicon-avalanche...
SRV08-4: Features: · ESD protection to IEC 61000-4-2, Level 4· Array of surge rated diodes with internal TVS Diode· Small package saves board space· Protects four I/O lines· Low capacitance (<5pF) for hig...
SeekIC Buyer Protection PLUS - newly updated for 2013!
268 Transactions
All payment methods are secure and covered by SeekIC Buyer Protection PLUS.

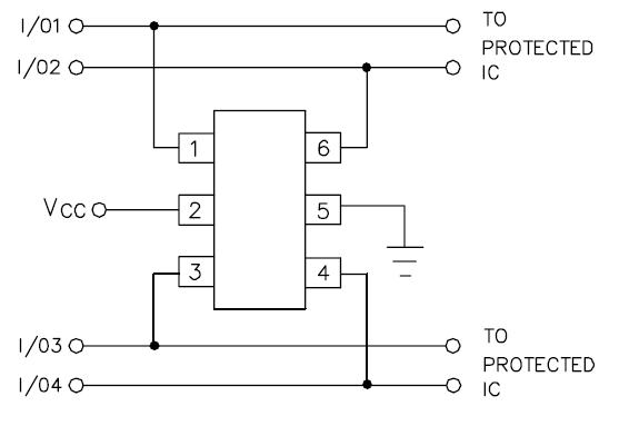
RailClamps are surge rated diode arrays SRV08-4 designed to protect high speed data interfaces. The SR series has been specifically designed to protect sensitive components which are connected to data and transmission lines from overvoltage caused by ESD (electrostatic discharge), EFT (electrical fast transients), and lightning.
The unique design of the SRV08-4 integrates eight surge rated, low capacitance steering diodes with a TVS diode in a SOT23- 6L package. During transient conditions, the steering diodes direct the transient to either the positive side of the power supply line or to ground. The internal TVS diode SRV08-4 prevents over-voltage on the power line, protecting any downstream components.
The low capacitance array configuration of SRV08-4 allows the user to protect four high-speed data or transmission lines. The low inductance construction minimizes voltage overshoot during high current surges.