Features: TTL INPUT COMPATIBLETYPICAL PROPAGATION DELAY: 6nsTYPICAL OUTPUT SKEW: 0.5nsOUTPUT WILL NOT LOAD LINE WHEN Vcc =0VMEETS THE REQUIREMENTS OF EIA STANDARD RS-422OPERATION FROM SINGLE 5V SUPPLY3-STATE OUTPUTS FOR CONNECTION TO SYSTEM BUSESLOW QUIESCENT CURRENTAVAILABLE IN SURFACE MOUNTPinou...
ST26C31: Features: TTL INPUT COMPATIBLETYPICAL PROPAGATION DELAY: 6nsTYPICAL OUTPUT SKEW: 0.5nsOUTPUT WILL NOT LOAD LINE WHEN Vcc =0VMEETS THE REQUIREMENTS OF EIA STANDARD RS-422OPERATION FROM SINGLE 5V SUPP...
SeekIC Buyer Protection PLUS - newly updated for 2013!
268 Transactions
All payment methods are secure and covered by SeekIC Buyer Protection PLUS.
Features: ·Double side cooling·High surge capability·High mean current·Fatigue freeApplication·DC ...

| Symbol | Parameter | Value | Unit |
| VCC | Supply Voltage | -0.5 to 7 | V |
| VIN | DC Input Voltage | -0.5 to (VCC+ 0.5) | V |
| V OUT | DC Output Voltage (High or Low State) |
-0.5 to 7 | V |
| IIK | Clamp Diode Current |
± 20 | mA |
| IOUT | DC Output Current per Pin |
± 150 | mA |
| ICC | DC VCC or GND Current |
± 150 | mA |
| Tstg | Storage Temperature Range |
-65 to +150 |
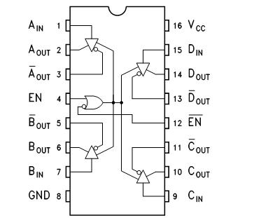
TheST26C31isaquaddifferentiallinedriver designed for digital data transmission over balanced lines and meets all the requirements of EIA standard RS-422 while retaining the low power characteristics of CMOS.
The ST26C31 accepts TTL or CMOS input levels and translates theseto RS-422 output levels. This part uses special outputs circuitry common to all four drivers. All outputs are protected against damage due to electrostatic discharge by diode to VCC and ground.