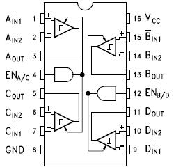
Features: ` SUPPLY VOLTAGE RANGE 4.5V TO 5.5V` MINIMUM DIFFERENTIAL INPUT VOLTAGE ± 200mV` TYPICAL PROPAGATION DELAYS: 19ns` TYPICAL INPUT HYSTERESIS: 60mV` INPUT RESISTANCE 10K` OPEN INPUT FAIL SAFE FEATURE` OPERATING TEMPERATURE RANGE -40°C TO 85°CPinoutSpecifications Symbol Parameter V...
ST34C86: Features: ` SUPPLY VOLTAGE RANGE 4.5V TO 5.5V` MINIMUM DIFFERENTIAL INPUT VOLTAGE ± 200mV` TYPICAL PROPAGATION DELAYS: 19ns` TYPICAL INPUT HYSTERESIS: 60mV` INPUT RESISTANCE 10K` OPEN INPUT FAIL SAF...
SeekIC Buyer Protection PLUS - newly updated for 2013!
268 Transactions
All payment methods are secure and covered by SeekIC Buyer Protection PLUS.

| Symbol | Parameter |
Value |
Unit |
| VCC | Supply Voltage |
7 |
V |
| VCM | Input Common Mode Range |
± 14 |
V |
| VDIFF | Differential Input Voltage |
± 14 |
V |
| VIN | Enable Input Voltage |
7 |
V |
| IOUT | Current per Output |
± 25 |
mA |
| Tstg | Storage Temperature Range |
-65 to 150 |
|
| TOP | Operating Junction Temperature Range |
-40 to 85 |
|
| ESD | HBM (1.5K 100pF) |
2000 |
V |
The ST34C86 is a quad differential line receiver designed to meet the RS-422, RS-423, and Federal Standard 1020 and 1030 for balanced and unbalanced digital data transmission, while retaining the low power characteristics of CMOS.The ST34C86 has an input sensivity of 200mV over the common mode input voltage range of ±7V. Hysteresis is provided to improve noise margin and discourage output instability for slowly changing input waveforms. The ST34C86 internal pull-up and pull-down resistors. prevent output oscillation on unused channels. Separate enable pins allow independent control of receiver pairs. The 3-STATE outputs have 6mA source and sink capability.