Features: LOW QUIESCENT CURRENT: 300mADESIGNED FOR RS-485 INTERFACE APPLICATIONS-7V TO 12V COMMON MODE INPUTVOLTAGE RANGEDRIVER MAINTAINS HIGH IMPEDANCE IN 3-STATE OR WITH THE POWER OFF70mV TYPICAL INPUT HYSTERESIS30ns PROPAGATION DELAYS, 5ns SKEWOPERATE FROM A SINGLE 5V SUPPLYCURRENT LIMITING AND...
ST75C176: Features: LOW QUIESCENT CURRENT: 300mADESIGNED FOR RS-485 INTERFACE APPLICATIONS-7V TO 12V COMMON MODE INPUTVOLTAGE RANGEDRIVER MAINTAINS HIGH IMPEDANCE IN 3-STATE OR WITH THE POWER OFF70mV TYPICAL ...
SeekIC Buyer Protection PLUS - newly updated for 2013!
268 Transactions
All payment methods are secure and covered by SeekIC Buyer Protection PLUS.

| Symbol | Parameter | Value | Unit |
| VCC | VCC Supply Voltage | 7 | V |
| VI | Control Input Voltage (RE, DE) | -0.5 to (VCC + 0.5) | V |
| VDI | Driver Input Voltage (DI) | -0.5 to (VCC + 0.5) | V |
| VDO | Driver Output Voltage (A, B) | ± 14 | V |
| VRI | Receiver Input Voltage (A, B) | ± 14 | V |
| VRO | Receiver Output Voltage (RO) | -0.5 to (VCC + 0.5) | V |
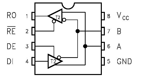
The ST75C176 is al low power transceiver for RS-485 and RS-422 communication. Each part contains one driver and one receiver.
This transceiver draw 300mA (typ.) of supply current when unloaded or fully loaded with disabled drivers.It operates from a single 5V supply.
Driver is short-circuit current limited of the ST75C176 and is protected against excessive power dissipation by thermal shutdown circuitry that placed the driver outputs into a high-impedance state. The receiver input has a fail safe feature that guarantees a logic-high output if the input is open circuit. The ST75C176 is designed for bi-directional data communications on multipoint bus transmission line (half-duplex applciations).