Features: ·Bidirectional EMI/RFI filtering and line termination with integrated ESD protection·ESD protection for USB power (VBUS) and data lines (D+ & D-) to IEC 61000-4-2 Level 4·Filtering and termination for one USB port·Series resistors: 15Ω, 22Ω, and 33Ω·Low TVS operatin...
STF203-15: Features: ·Bidirectional EMI/RFI filtering and line termination with integrated ESD protection·ESD protection for USB power (VBUS) and data lines (D+ & D-) to IEC 61000-4-2 Level 4·Filtering and...
SeekIC Buyer Protection PLUS - newly updated for 2013!
268 Transactions
All payment methods are secure and covered by SeekIC Buyer Protection PLUS.


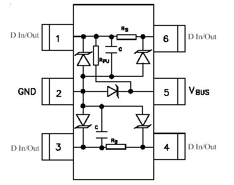
The STF203 is a combination EMI filter and line termination device with integrated TVS diodes for use on upstream USB ports. It is constructed using a proprietary technology that allows passive components and TVS diodes to be integrated in the same package. Each device will provide termination, filtering, and ESD protection for one upstream USB port.
The STF203 is an easily implemented solution for meeting the requirements of revision 1.1 of the Universal Serial Bus specification. Line termination is achieved with series resistors on both the D+ and D- USB lines. The value of series resistance added to the output impedance of the USB driver must be as close to possible to the 45Ω characteristic impedance of the cable (90Ω balanced) to minimize transmission line reflections. They are available with resistor values of 15Ω (STF203-15), 22Ω (STF203-22), and 33Ω (STF203-33). The 1.5kΩ pull-up resistor is required by the USB specification to identify the equipment as either a full-speed (connected to D+ line) or low-speed (connected to Dline) device.
The 47pF capacitors are required to bypass high frequency energy to ground and to control the edge rate of the USB signals. The TVS diodes provide ESD protection of both (D+ & D-) data lines and the voltage bus (VBUS). The TVS diodes on the input/output pins provide suppression of ESD voltages in excess of 15kV (air discharge) and 8kV (contact discharge) per IEC 61000-4-2, level 4. The TVS diode on the VBUS pin will suppress ESD discharges in excess of 25kV per IEC 61000-4-2.