Features: • Active mixer with conversion gain• No need for separate external LO driver• Low LO drive level required to drive mixer• IF and LO ports may be driven single-ended• Single supply operation (+5V)• Broadband resistive 50 impedances on all three portsApp...
STM-2016: Features: • Active mixer with conversion gain• No need for separate external LO driver• Low LO drive level required to drive mixer• IF and LO ports may be driven single-ended...
SeekIC Buyer Protection PLUS - newly updated for 2013!
268 Transactions
All payment methods are secure and covered by SeekIC Buyer Protection PLUS.

| Parameters | Value | Unit |
| Supply Voltage | +6.0 | VDC |
| LO Input | +10 | dBm |
| RF Input | +15 | dBm |
| Operating Temperature | -40 to +85 | |
| Storage Temperature | -65 to +150 |
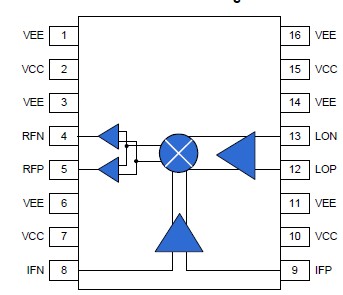
The Stanford Microdevices' STM-2016 is a high linearity active mixer for use in a wide variety of communication systems covering the 1800-2200 MHz frequency bands.This device operates from a single 5V supply and provides 9dB of conversion gain while requiring only 0dBm input to the integrated LO driver. The STM-2016 also includes an integrated on chip IF amplifier and is fabricated using silicon germanium device technology.
The STM-2016 incorporates internal matching on each RF,IF, and LO port to enhance ease of use and to reduce the number of external components required. The IF and LO ports can be driven differential or single ended. Each broadband port has been designed to minimize performance degradation while operating into highly reactive components such as SAW filters.