Features: • P1dB = 25dBm @ 2140MHz• OIP3 Typical 41dBm @ 2GHz• Gain = 15dB at 850MHz• 31.5dB Attenuation range in 0.5dB steps• Serial or Parallel Controlled• Optional Latched Parallel Control• Programmable Power Up States• Immune to Latch-Up• P...
SVG-2066Z: Features: • P1dB = 25dBm @ 2140MHz• OIP3 Typical 41dBm @ 2GHz• Gain = 15dB at 850MHz• 31.5dB Attenuation range in 0.5dB steps• Serial or Parallel Controlled• Opti...
SeekIC Buyer Protection PLUS - newly updated for 2013!
268 Transactions
All payment methods are secure and covered by SeekIC Buyer Protection PLUS.

|
Parameters |
MIn |
Max |
Unit |
| VCC Bias Current (IC) |
|
220 |
V |
| VCC Bias Voltage |
|
8 |
W |
| Power Dissipation |
|
1.5 |
V |
| Drain Voltage (VDD) |
-0.3 |
4.0 |
V |
| Voltage on any Digital Input |
-0.3 |
VDD+0.3 |
ºC |
| Operating Lead Temperature (TL) |
-40 |
+85 |
|
| Max RF Input Power |
|
21 |
dMm |
| Storage Temperature Range |
-40 |
+150 |
ºC |
| Operating Junction Temperature (TJ) |
|
+150 |
ºC |
| ESD Human Body Model |
|
500 |
V |
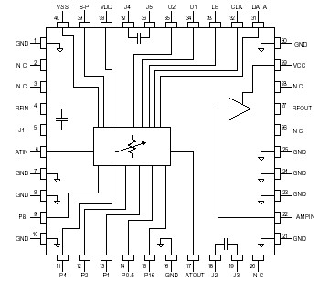
Sirenza Microdevices' SVG-2066 is an IC based 6-bit digital 31.5dB range attenuator cascaded with a linear class A amplifier in a low-cost surface-mountable 6x6 QFN plastic package. This product is specifically designed as a high linearity variable gain amplifier for infrastructure equipment that can be used in either the RF transmit or RF receive path. It features both parallel or serial programmability, programmable power up states, latchable parallel control, 3V or 5V combatible logic and robust Class 1B ESD. The SVG- 2066 features configurable pin I/O's for optimizing the part over application specific bands.