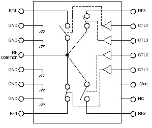
Features: Low Insertion Loss, 1.0 dB TypicalFast Switching Speed, 20 nS TypicalUltra Low DC Power Consumption, 0.3 mA TypicalIntegral TTL DriverPinoutSpecifications Parameter Absolute Maximum Max Input Power0.05 GHz0.5 - 2.0 GHz +27 dBm+34 dBm +Vcc +7.0V Logic Values...
SW-262: Features: Low Insertion Loss, 1.0 dB TypicalFast Switching Speed, 20 nS TypicalUltra Low DC Power Consumption, 0.3 mA TypicalIntegral TTL DriverPinoutSpecifications Parameter Absolute Maxi...
SeekIC Buyer Protection PLUS - newly updated for 2013!
268 Transactions
All payment methods are secure and covered by SeekIC Buyer Protection PLUS.
Low Insertion Loss, 1.0 dB Typical
Fast Switching Speed, 20 nS Typical
Ultra Low DC Power Consumption, 0.3 mA Typical
Integral TTL Driver

|
Parameter |
Absolute Maximum |
|
Max Input Power |
+27 dBm +34 dBm |
|
+Vcc |
+7.0V |
|
Logic Values |
-0.5 to +Vcc +0.5V |
|
Operating Temperature |
-55°C to +85°C |
|
Storage Temperature |
-65°C to +125°C |
M/A-COM's SW-262 is a hermetic SP4T switch that features ultralow DC power consumption. SW-262 is operates with a single +5V bias. Due to the use of GaAs MMICs the switch features fast switching speed and high intercept points. The switch is packaged in a metal flatpack, and is available with screening upon request. This switch is ideal for industrial and military applications where high reliability is required.