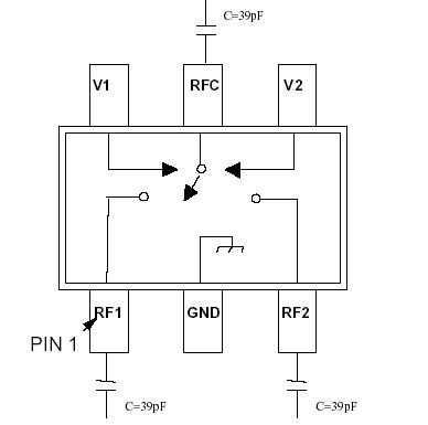
Features: Low Insertion Loss 0.3 dB Typ. @ 2.4 GHzModerate Isolation 21 dB @ 2.4 GHzLow Power Consumption <5 µA @ +2.3VLow Cost Plastic SOT-363 PackagePinoutSpecifications Parameter Absolute Maximum Max Input Power (0.5 - 3.0 GHz) 3 V Control +32 dBm 5 V Co...
SW-485: Features: Low Insertion Loss 0.3 dB Typ. @ 2.4 GHzModerate Isolation 21 dB @ 2.4 GHzLow Power Consumption <5 µA @ +2.3VLow Cost Plastic SOT-363 PackagePinoutSpecifications Parameter ...
SeekIC Buyer Protection PLUS - newly updated for 2013!
268 Transactions
All payment methods are secure and covered by SeekIC Buyer Protection PLUS.
Low Insertion Loss 0.3 dB Typ. @ 2.4 GHz
Moderate Isolation 21 dB @ 2.4 GHz
Low Power Consumption <5 µA @ +2.3V
Low Cost Plastic SOT-363 Package

|
Parameter |
Absolute Maximum |
|
Max Input Power (0.5 - 3.0 GHz) |
|
|
3 V Control |
+32 dBm |
|
5 V Control |
+34 dBm |
|
Operating Voltage |
+8.5 volts |
|
Operating Temperature |
-40 °C to +85 °C |
|
Storage Temperature |
-65 °C to +150 °C |
M/A-COM's SW-485 is a GaAs PHEMT MMIC SPDT switch in a low cost SC-70 (SOT-363) surface mount plastic package. The SW-485 is ideally suited for applications where very small size and low cost are required. Typical applications are dual band systems where switching b etween small signal components is required such as filter banks, single-band LNAs, converters, etc. This part can be used for low power, low loss requirements in the all systems operating up to 3 GHz, including PCS, GSM, DCS, Blue Tooth, and other Rx chain applications.
The SW-485 is fabricated using a 0.5 micron gate length GaAs PHEMT process. The process features full passiv ation for performance and reliability.