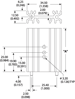
PinoutSpecifications Part# Description Finish Board Mounting SW63-4G Extruded heat sink with unequal channel widths and device mounting holes Black Anodize N/A This non-electronic component is functionally unaffected by the normal soldering or reflow processes...
SW63-4G: PinoutSpecifications Part# Description Finish Board Mounting SW63-4G Extruded heat sink with unequal channel widths and device mounting holes Black Anodize N/A ...
SeekIC Buyer Protection PLUS - newly updated for 2013!
268 Transactions
All payment methods are secure and covered by SeekIC Buyer Protection PLUS.

| Part # | Description | Finish | Board Mounting |
| SW63-4G | Extruded heat sink with unequal channel widths and device mounting holes | Black Anodize | N/A |
| This non-electronic component is functionally unaffected by the normal soldering or reflow processes used for semiconductor circuits. The heat resistance time or heat resistance temperature is not applicable for the component. | |||
| Thermal Resistance | 7.00 |