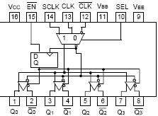
Features: 3.3V power supply 50ps output-to-output skew Low power Synchronous enable/disable Multiplexed clock input 75K internal input pull-down resistors ESD protection of 2000V Available in 16-pin SOIC packagePinoutSpecifications Symbol Parameter Value Unit VEE Power Supply (VCC = 0V...
SY100EL15L: Features: 3.3V power supply 50ps output-to-output skew Low power Synchronous enable/disable Multiplexed clock input 75K internal input pull-down resistors ESD protection of 2000V Available in 16-pin...
SeekIC Buyer Protection PLUS - newly updated for 2013!
268 Transactions
All payment methods are secure and covered by SeekIC Buyer Protection PLUS.
DescriptionThe SY10/100E111 are low skew 1-to-9 differential drivers designed for clock distributi...

| Symbol | Parameter | Value | Unit |
| VEE | Power Supply (VCC = 0V) | 8.0 to 0 | VDC |
| VI | Input Voltage (VCC = 0V) | 0 to 6.0 | VDC |
| IOUT | Output Current Continuous Surge |
50 100 |
mA |
| TA | Operating Temperature Range | 40 to +85 | °C |
1. Absolute maximum rating, beyond which, device life may be impaired, unless otherwise specified on an individual data sheet.
2. Parametric values specified at: 3 volt Power Supply Range 100EL15L Series 3.0V to 3.8V.
The SY100EL15L is a low skew 1:4 clock distribution IC designed explicitly for low skew clock distribution applications. The device can be driven by either a differential or single-ended ECL or, if positive power supplies are used, PECL input signal. If a single-ended input is to be used the VBB output should be connected to the CLK input and bypassed to ground via a 0.01F capacitor. The VBB output is designed to act as the switching reference for the input of the EL15 under singleended input conditions. As a result, this pin can only source/sink up to 0.5mA of current.
The SY100EL15L features a multiplexed clock input to allow for the distribution of a lower speed scan or test clock along with the high speed system clock. When LOW (or left open and pulled LOW by the input pull-down resistor) the SEL pin will select the differential clock input.
The common enable (EN) of SY100EL15L is synchronous so that the outputs will only be enabled/disabled when they are already in the LOW state. This avoids any chance of generating a runt clock pulse when the device is enabled/ disabled as can happen with an asynchronous control. The internal flip flop is clocked on the falling edge of the input clock, therefore all associated specification limits are referenced to the negative edge of the clock input.
When both differential inputs are left open, SY100EL15L, CLK input will pull down to VEE and CLK input will bias around VCC/2.