Features: `Max. propagation delay of 800ps`Enable to Output max. of 950ps`IEE min. of 60mA`Extended supply voltage option: VEE = 4.2V to 5.5V`Voltage and temperature compensation for improved noise immunity`Internal 75KΩ input pull-down resistors`50% faster than Fairchild 300K`Function and p...
SY100S313: Features: `Max. propagation delay of 800ps`Enable to Output max. of 950ps`IEE min. of 60mA`Extended supply voltage option: VEE = 4.2V to 5.5V`Voltage and temperature compensation for improved noise ...
SeekIC Buyer Protection PLUS - newly updated for 2013!
268 Transactions
All payment methods are secure and covered by SeekIC Buyer Protection PLUS.
DescriptionThe SY10/100E111 are low skew 1-to-9 differential drivers designed for clock distributi...

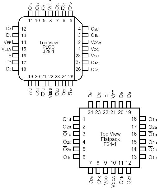
The SY100S313 offers four drivers with two OR and two NOR outputs, designed for use in high-performance ECL systems. The four drivers are controlled by a common Enable signal which is buffered to minimize input loading. If the D inputs are not used, the Enable signal can be used to drive sixteen 50Ω lines. All inputs have 75KΩ pulldown resistors and all outputs are buffered.