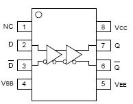
Features: 3.3V and 5V power supply options 250ps propagation delay High bandwidth output transitions Internal 75K input pull-down resistors Replaces SY10/100EL16 Improved output waveform characteristics Available in 8-pin (3mm) MSOP and SOIC packagePinoutDescriptionThe SY10EL16V/100EL16V are diffe...
SY10EL16V: Features: 3.3V and 5V power supply options 250ps propagation delay High bandwidth output transitions Internal 75K input pull-down resistors Replaces SY10/100EL16 Improved output waveform characteris...
SeekIC Buyer Protection PLUS - newly updated for 2013!
268 Transactions
All payment methods are secure and covered by SeekIC Buyer Protection PLUS.
DescriptionThe SY10/100E111 are low skew 1-to-9 differential drivers designed for clock distributi...

The SY10EL16V/100EL16V are differential receivers. The devices are functionally equivalent to the SY10EL16V devices, with higher performance capabilities. With output transition times significantly faster than the E116, the SY10EL16V is ideally suited for interfacing with high-frequency sources.
The SY10EL16V provides a VBB output for either singleended use or as a DC bias for AC coupling to the device. The VBB pin should be used only as a bias for the SY10EL16V as its current sink/source capability is limited. Whenever used, the VBB pin should be bypassed to ground via a 0.01f capacitor.
Under open input conditions (pulled to VEE), internal input clamps will force the Q output LOW.