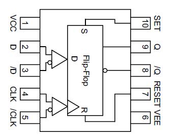
Features: ` 3.3V and 5V power supply options` 3.0GHz toggle frequency` 75K internal input pulldown resistors` Available in 10-pin MSOP packagePinoutSpecifications Symbol Rating Value Unit VCC-VEE Power Supply Voltage 6V V ...
SY10EP53V: Features: ` 3.3V and 5V power supply options` 3.0GHz toggle frequency` 75K internal input pulldown resistors` Available in 10-pin MSOP packagePinoutSpecifications Symbol ...
SeekIC Buyer Protection PLUS - newly updated for 2013!
268 Transactions
All payment methods are secure and covered by SeekIC Buyer Protection PLUS.
DescriptionThe SY10/100E111 are low skew 1-to-9 differential drivers designed for clock distributi...

Symbol |
Rating |
Value |
Unit |
VCC-VEE |
Power Supply Voltage | 6V |
V |
VIN |
Input Voltage (VCC = 0V, VIN not more negative than VEE) Input Voltage (VEE = 0V, VIN not more positive than VCC) |
- 6.0 to 0 + 6.0 to 0 |
V V |
IOUT |
Output Current Continuous 50 mA Surge |
50 100 |
mA |
TA |
Operating Temperature Range | +40 to +85 |
|
Tstore |
Storage Temperature Range | -65 to 150 |
|
JA |
Package Thermal Resistance Still-Air 500lfpm |
113 96 |
/W |
JC |
Package Thermal Resistance (Junction-to-Case) |
42 |
/W |
The SY10EP53V is a differential data, differential clock D flip-flop with set and reset. The EP53V is ideally suited for those applications which require the ultimate in AC performance.
Data enters the master portion of the flip-flop when the clock is LOW and is transferred to the slave, and thus the outputs, upon a positive transition of the clock. The differential clock inputs also allow the SY10EP53V to be used as a negative edge triggered device. Both set and reset inputs are asynchronous, level triggered signals.
The SY10EP53V employs input clamping circuitry so that, under open input conditions (pulled down to VEE), the outputs of the device will remain stable.