Features: Guaranteed AC performance over temperature and voltage:DC-to >10.7Gbps data rate throughputDC-to >7GHz clock fMAX<220ps in-to-out tpdtr / tf <60ps Ultra low-jitter design:<1psrms random jitter<10pspp deterministic jitter<10pspp total jitter (clock) Minimum input swin...
SY58600U: Features: Guaranteed AC performance over temperature and voltage:DC-to >10.7Gbps data rate throughputDC-to >7GHz clock fMAX<220ps in-to-out tpdtr / tf <60ps Ultra low-jitter design:<1...
SeekIC Buyer Protection PLUS - newly updated for 2013!
268 Transactions
All payment methods are secure and covered by SeekIC Buyer Protection PLUS.

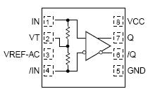
The SY58600U is a 2.5V/3.3V precision, high-speed, differential receiver capable of handling clocks up to 7GHz and data streams up to 10.7Gbps.
The differential input includes Micrel's unique, 3-pin input termination architecture that allows users to interface to any differential signal (AC or DC-coupled) as small as 200mVpp without any level shifting or termination resistor networks in the signal path. The outputs are 400mV CML, with extremely fast rise/fall times guaranteed to be less than 60ps.The SY58600U operates from a 2.5V ±5% supply or a 3.3V ±10% supply and is guaranteed over the full industrial temperature range of 40°C to +85°C. For applications that require 800mV LVPECL outputs, consider the SY58601U or for 400mV LVPECL outputs the SY58602U. The SY58600U is part of Micrel's high-speed, Precision Edge™ product line.All support documentation can be found on Micrel's web site at www.micrel.com.