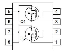
MOSFET SO8 DUAL NCH 20V
SeekIC Buyer Protection PLUS - newly updated for 2013!
268 Transactions
All payment methods are secure and covered by SeekIC Buyer Protection PLUS.
| Transistor Polarity : | N-Channel | Drain-Source Breakdown Voltage : | 20 V | ||
| Gate-Source Breakdown Voltage : | +/- 10 V | Continuous Drain Current : | 10.5 A | ||
| Resistance Drain-Source RDS (on) : | 12 m Ohms | Configuration : | Dual Dual Drain | ||
| Maximum Operating Temperature : | + 150 C | Mounting Style : | SMD/SMT | ||
| Package / Case : | SOIC-8 Narrow | Packaging : | Reel |

|
Symbol |
Parameter |
Ratings |
Units |
|
VDSS |
Drain-Source Voltage |
20 |
V |
|
VGSS |
Gate-Source Voltage |
±10 |
V |
|
ID |
Drain Current Continuous (Note 1a) Pulsed |
6.5 |
A |
|
20 | |||
|
PD |
Power Dissipation for Dual Operation |
2 |
W |
| Power Dissipation for Single Operation (Note 1a) (Note 1b) (Note 1c) |
1.6 | ||
|
1 | |||
|
0.9 | |||
|
TJ, TSTG |
Operating and Storage Junction Temperature Range |
-55 to +150 |
°C |