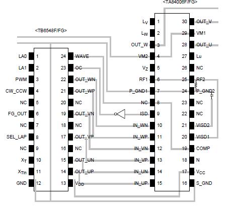
Features: • Built-in voltage detector• Overcurrent detector incorporated• Overheating protector incorporated• Multichip (MCH) structure Uses Pch-MOS for the upper output power transistor• Rated at 25 V/1.0 A• Package: SSOP30-P-375-1.00PinoutSpecifications C...
TA84006F/FG: Features: • Built-in voltage detector• Overcurrent detector incorporated• Overheating protector incorporated• Multichip (MCH) structure Uses Pch-MOS for the upper output powe...
SeekIC Buyer Protection PLUS - newly updated for 2013!
268 Transactions
All payment methods are secure and covered by SeekIC Buyer Protection PLUS.
Motor / Motion / Ignition Controllers & Drivers Brushless DC Motor Driver

| Characteristic | Symbol | Rating | Unit |
| Motor power supply voltage | VM | 25 | V |
| Control power supply voltage | VCC | 7 | V |
| Output current | IO | 1.0 | A/phase |
| Input voltage | VIN | GND − 0.3 ~VCC + 0.3 V |
V |
| Power dissipation | Pd | 1.1 (Note 2) | W |
| 1.4 (Note 3) | |||
| Operating temperature | Topr | −30~85 | |
| Storage temperature | Tstg | −55~150 |
The TA84006F/FG is a three-phase wave motor driver IC. Used with a three-phase sensorless controller (TB6548F/FG or TB6537P/PG), the TA84006F/FG can provide PWM sensorless drive for three-phase brushless motors.