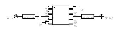
Features: • P-1 dB: 30 dBm• Small Signal Gain: 26 dB• Power Added Efficiency: 25 %• IP3: 39 dBm• Matched to 50 Ω operation• Bias condition: 650 mA @ 7 VApplication• Wireless Internet Access• Wireless Local Loop• Two way radioPinoutDescrip...
TC3339: Features: • P-1 dB: 30 dBm• Small Signal Gain: 26 dB• Power Added Efficiency: 25 %• IP3: 39 dBm• Matched to 50 Ω operation• Bias condition: 650 mA @ 7 VAppl...
SeekIC Buyer Protection PLUS - newly updated for 2013!
268 Transactions
All payment methods are secure and covered by SeekIC Buyer Protection PLUS.

The TC3339 is a 2-stage PHEMT MMIC power amplifier. It is designed for use in low cost, high volume, 2.9 -3.7 GHz band applications. The MMIC is matched to 50Ω operation. It provides a typical gain of 26 dB and P1dB power of more than 30 dBm. Typical bias condition is 7V at 650 mA. The MMIC is packaged in a low-cost surface-mountable plastic package.