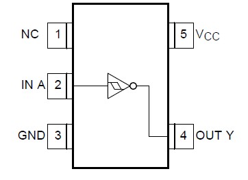
Features: • High-level output current: IOH/IOL = ±8 mA (min) at VCC = 3.0 V• High-speed operation: tpd = 3.7 ns (typ.) at VCC = 3.3 V,15pF• Operating voltage range: VCC = 0.9~3.6 V• 5.5-V tolerant input.• 3.6-V power down protection output.PinoutSpecifications ...
TC7SG14FU: Features: • High-level output current: IOH/IOL = ±8 mA (min) at VCC = 3.0 V• High-speed operation: tpd = 3.7 ns (typ.) at VCC = 3.3 V,15pF• Operating voltage range: VCC = 0.9~3.6 V...
SeekIC Buyer Protection PLUS - newly updated for 2013!
268 Transactions
All payment methods are secure and covered by SeekIC Buyer Protection PLUS.
US $.05 - .08 / Piece
Gates (AND / NAND / OR / NOR) 2-Input NAND Gate 5Pin High Speed

|
Characteristics |
Symbol |
Value |
Unit |
| Power supply voltage |
VCC |
−0.5~4.6 |
V |
| DC input voltage |
VIN |
−0.5~7.0 |
V |
| DC output voltage |
VOUT |
−0.5~4.6 (Note 1) |
V |
|
−0.5~VCC + 0.5 (Note 2) | |||
| Input diode current |
IIK |
-20 |
mA |
| Output diode current |
IOK |
−20 (Note 3) |
mA |
| DC output current |
IOUT |
±25 |
mA |
| DC VCC/ground current |
ICC |
±50 |
mA |
| Power dissipation |
PD |
200 |
mW |
| Storage temperature |
Tstg |
<DIV |