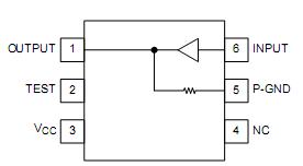
Features: Ultra-small HSON6 package with heat sink on rear Large output voltage: VOUT= −50 V (min) Large output current: IOUT= −100 mA (max) Built-in input resistor: RIN= 10 kΩInput signal: High Level Active PinoutSpecifications Characteristics Symbol Rating Unit ...
TD62S310AFM: Features: Ultra-small HSON6 package with heat sink on rear Large output voltage: VOUT= −50 V (min) Large output current: IOUT= −100 mA (max) Built-in input resistor: RIN= 10 kΩInpu...
SeekIC Buyer Protection PLUS - newly updated for 2013!
268 Transactions
All payment methods are secure and covered by SeekIC Buyer Protection PLUS.

| Characteristics | Symbol | Rating | Unit |
| Supply voltage | VCC | -0.5~50 | V |
| Output voltage | VOUT | -50 | V |
| Collector-emitter voltage | VCEO | 50 | V |
| Output current | IOUT | -100 | mA |
| Input voltage | VIN | -0.5~15 | V |
| Power dissipation | PD (Note 4) | 0.78 | W |
| Saturated thermal resistance | Rth (j-a)(Note 4) |
160 | °C/W |
| Rth (j-c) | 25 | ||
| Operating temperature | Topr | -40~85 | °C |
| Storage temperature T | Tstg | -55~150 | °C |
The TD62S310AFM is a 1-channel noninverting source-current driver. The driver incorporates an input resistor which limits output pull-down resistance and base current.
The driver is optimal for driving fluorescent display tubes and LEDs. When using the driver, pay attention to the thermal conditions.