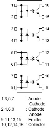
PinoutSpecifications Characteristic Symbol Rating Unit TLP280 TLP280-4 LED Forward current IFRMS ±50 mA Forward current derating IF / °C -0.7 (Ta53°C) -0.5 (Ta25°C) mA / °C Pulse Forward CurrentReverse voltage IFP ±1 (100s pulse, 100pps1 °C Junction temperature ...
TLP280−4: PinoutSpecifications Characteristic Symbol Rating Unit TLP280 TLP280-4 LED Forward current IFRMS ±50 mA Forward current derating IF / °C -0.7 (Ta53°C) -0.5 (Ta25°C) mA / °...
SeekIC Buyer Protection PLUS - newly updated for 2013!
268 Transactions
All payment methods are secure and covered by SeekIC Buyer Protection PLUS.

| Characteristic | Symbol |
Rating |
Unit | ||
TLP280 |
TLP280-4 | ||||
| LED | Forward current | IFRMS |
±50 |
mA | |
| Forward current derating | IF / °C |
-0.7 (Ta53°C) |
-0.5 (Ta25°C) |
mA / °C | |
| Pulse Forward CurrentReverse voltage | IFP |
±1 (100s pulse, 100pps1 |
°C | ||
| Junction temperature | Tj |
125 |
°C | ||
| Detector | Collecto-remitter voltage | VCEO |
80 |
V | |
| Emitter-collector voltage | VCEO |
7 |
V | ||
| Collector current | IC |
50 |
mA | ||
| Collector Power Dissipation (1 Circuit) |
PC |
150 |
100 |
mW | |
| Collector Power Dissipation Derating(Ta25°C) (1 Circuit) |
PC /°C |
-1.5 |
-1.0 |
mW / °C | |
| Junction temperature | Tj |
125 |
°C | ||
| Storage temperature range | Tstg |
125 |
°C | ||
| Operating temperature range | Topr |
-55~100 |
°C | ||
| Lead soldering temperature(10 sec.) | Tsold |
-55~125 |
°C | ||
| Total package power dissipation | PT |
260 (10s) |
mW | ||
| Total package power dissipation derating (Ta25°C) | PT / °C |
200 |
170 |
mW / °C | |
-2.0 |
-1.7 | ||||
| Isolation voltage (Note) | BVS |
2500(AC,1min,R.H.60%) |
Vrms | ||