Features: • Peak output current: ±0.6 A (max)• Guaranteed performance over temperature: −40 to 100°C• Supply current: 2 mA (max)• Power supply voltage: 10 to 30 V• Threshold input current : IF = 5 mA (max)• Switching time (tpLH/tpHL) : 700 ns (max)• ...
TLP351F: Features: • Peak output current: ±0.6 A (max)• Guaranteed performance over temperature: −40 to 100°C• Supply current: 2 mA (max)• Power supply voltage: 10 to 30 V•...
SeekIC Buyer Protection PLUS - newly updated for 2013!
268 Transactions
All payment methods are secure and covered by SeekIC Buyer Protection PLUS.
Features: · Peak Off-State Voltage : 400 V (min)· Trigger LED Current : 15 mA (max) (TLP3021(S)) 1...

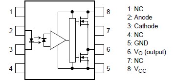
The TOSHIBA TLP351F consists of a GaAℓAs light emitting diode and a integrated photodetector. This unit is 8-lead DIP package.
TLP351F is suitable for gate driving circuit of IGBT or power MOSFET. Especially TLP351F is capable of "direct" gate drive of lower Power IGBTs.
Absolute maximum ratings and electrical characteristics are the same as TLP351F technical datasheet.