Features: Peak off−state voltage: 400 V (min.) Trigger LED current: 10 mA (max.) On−state current: 1.0 Arms (max.) Isolation voltage: 2500 Vrms (min.) UL recognized: UL1577, file no. E67349 Trigger LED current Classification* Trigger LED Current (mA) Marking OfClassific...
TLP3520: Features: Peak off−state voltage: 400 V (min.) Trigger LED current: 10 mA (max.) On−state current: 1.0 Arms (max.) Isolation voltage: 2500 Vrms (min.) UL recognized: UL1577, file no. E6...
SeekIC Buyer Protection PLUS - newly updated for 2013!
268 Transactions
All payment methods are secure and covered by SeekIC Buyer Protection PLUS.
Features: · Peak Off-State Voltage : 400 V (min)· Trigger LED Current : 15 mA (max) (TLP3021(S)) 1...
Peak off−state voltage: 400 V (min.)
Trigger LED current: 10 mA (max.)
On−state current: 1.0 Arms (max.)
Isolation voltage: 2500 Vrms (min.)
UL recognized: UL1577, file no. E67349
Trigger LED current
|
Classification* |
Trigger LED Current (mA) |
Marking Of Classification | |
|
VT = 6V, Ta = 25°C | |||
|
Min. |
Max. | ||
|
(IFT5) |
5.0 |
T5 | |
|
(IFT7) |
7.0 |
T5,T7 | |
|
Standard |
10 |
T5,T7, blank | |
*Ex. (IFT5); TLP3520 (IFT5)
(Note) Application type name for certification test, please use standard product type name, i.e.TLP3520 (IFT5): TLP3520

|
CHARACTERISTIC |
SYMBOL |
RATING |
UNIT | ||
|
LED |
Forward Current |
IF |
50 |
mA | |
| Forward current derating (Ta 53°C) |
IF/°C |
-0.7 |
mA/°C | ||
| Peak Forward Current (100s pulse, 100pps) |
IFP |
1 |
A | ||
| Reverse Voltage |
VR |
5 |
V | ||
| Junction Temperature |
Tj |
125 |
°C | ||
|
DETECTOR |
Off-State Output Terminal Voltage |
VDRM |
400 |
V | |
| On-Stage Current | Ta = 40°C |
IT(RMS) |
1.0 |
A | |
| Ta = 60°C |
0.7 | ||||
| On-state current derating (Ta 40°C) |
IT/°C |
-14.3 |
mA/°C | ||
| Peak current from snubber circuit (100s pulse, 120 pps) |
ITP |
2 |
A | ||
| Peak nonrepetitive surge current (50Hz, peak) |
ITSM |
10 |
A | ||
| Junction Temperature |
Tj |
110 |
°C | ||
| Storage Temperature Range |
Tstg |
-40~125 |
°C | ||
| Operating Temperature Range |
Topr |
-20~80 |
°C | ||
| Lead Soldering Temperature (10s) |
Tsol |
260 |
°C | ||
| Isolation voltage (AC, 1 min., R.H. 60%) (Note) |
BVS |
2500 |
Vrms | ||
(Note) Device considered a two terminal: LED side pins shorted together and detector side pins shorted together.
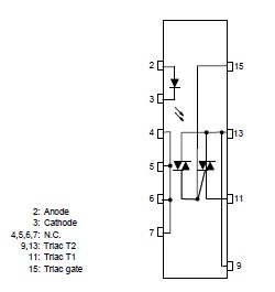
The TOSHIBA TLP3520 consists of a photo−triac optically coupled to a gallium arsenide infrared emitting diode in a 16 lead plastic DIP package.