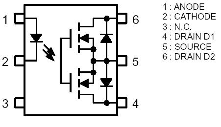
Features: 6 pin DIP (DIP6)1-Form-APeak Off-State Voltage : 400 V (MIN.)Trigger LED Current : 3 mA (MAX.)On-State Current : 120 mA (MAX.)On-State Resistance : 35 (MAX.)Isolation Voltage : 5000 Vrms (MIN.)PinoutSpecifications CHARACTERISTIC SYMBOL RATING UNIT DEL Forward Current...
TLP797GA: Features: 6 pin DIP (DIP6)1-Form-APeak Off-State Voltage : 400 V (MIN.)Trigger LED Current : 3 mA (MAX.)On-State Current : 120 mA (MAX.)On-State Resistance : 35 (MAX.)Isolation Voltage : 5000 Vrms ...
SeekIC Buyer Protection PLUS - newly updated for 2013!
268 Transactions
All payment methods are secure and covered by SeekIC Buyer Protection PLUS.
US $1.39 - 1.98 / Piece
Logic Output Optocouplers Photo-IC 35V VCC 5000 Vrms 5mA 0.25ms

|
CHARACTERISTIC |
SYMBOL |
RATING |
UNIT | ||
| D E L |
Forward Current |
IF |
50 |
mA | |
| Forward Current Derating (Ta 25°C) |
IF/°C |
-0.5 |
mA/°C | ||
| Peak Forward Current (100 s pulse, 100 pps) |
IFP |
1 |
A | ||
| Reverse Voltage |
VR |
5 |
V | ||
| Junction Temperature |
Tj |
125 |
|||
| R O T C E T E D |
Off-State Output Terminal Voltage |
VOFF |
400 |
V | |
| On-State Current | A Connection |
ION |
120 |
mA | |
| B Connection |
120 | ||||
| C Connection |
240 | ||||
| On-State Current Derating (Ta 25°C) |
A Connection |
ION/°C |
-1.2 |
mA/°C | |
| B Connection |
-1.2 | ||||
| C Connection |
-2.4 | ||||
| Junction Temperature |
Tj |
125 |
°C | ||
| Storage Temperature Range |
Tstg |
-55~125 |
°C | ||
| Operating Temperature Range |
Topr |
-40~85 |
°C | ||
| Lead Soldering Temperature (10 s) |
Tsol |
260 |
°C | ||
| Isolation Voltage (AC, 1 minute, R.H. 60%) (NOTE1) |
BVS |
5000 |
Vrms | ||