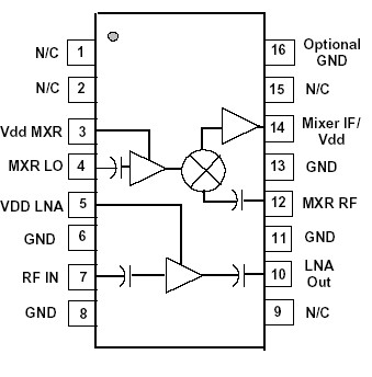
Features: Pin compatible with TQ9222 (dual-band TDMA receiver)Single 3V operationLow-current operation50 W matched inputsQSOP-16 plastic packageApplicationIS-136 Mobile PhonesAMPS Mobile PhonesISM 900MHzPinoutSpecifications Parameter Value Units DC Power Supply 5.0 V Power D...
TQ5121: Features: Pin compatible with TQ9222 (dual-band TDMA receiver)Single 3V operationLow-current operation50 W matched inputsQSOP-16 plastic packageApplicationIS-136 Mobile PhonesAMPS Mobile PhonesISM 9...
SeekIC Buyer Protection PLUS - newly updated for 2013!
268 Transactions
All payment methods are secure and covered by SeekIC Buyer Protection PLUS.

| Parameter |
Value |
Units |
| DC Power Supply |
5.0 |
V |
| Power Dissipation |
500 |
mW |
| Operating Temperature |
-50 to 85 |
C |
| Storage Temperature |
-60 to 150 |
C |
| Signal level on inputs/outputs |
+20 |
dBm |
| Voltage to any non supply pin |
+.3 |
V |
The TQ5121 is a 3V, RF receiver IC designed specifically for Cellular band TDMA applications. It's RF performance meets the requirements of products designed to the IS-136 and AMPS standards. The TQ5121 is pin compatible with TQ9222, which enables handset designers to use strategic board platform strategy. The TQ5121 contains LNA+Mixer circuits to handle the 800MHz cellular band.
The mixer TQ5121 uses a high-side LO frequency, with the IF covering a range of 70 to 140MHz. Most RF ports are internally matched to 50 W, greatly simplifying the design and keeping the number of external components to a minimum. The TQ5121 achieves good RF performance with low current consumption, supporting long standby times in portable applications. Coupled with the very small QSOP-16 package, the part is ideally suited for Cellular band mobile phones.