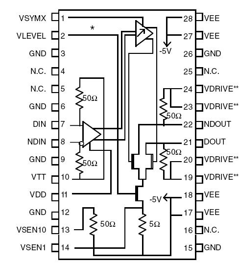
Features: • High performance fully backterminated 80mA/4V output driver(TQ8218)• Also available without backterminations for 25 applications (TQ8219)• Output can drive 50 external optical modulator, 50 transmission line, or directlymodulated laser from LVPECL input• NRZ dat...
TQ8218: Features: • High performance fully backterminated 80mA/4V output driver(TQ8218)• Also available without backterminations for 25 applications (TQ8219)• Output can drive 50 external ...
SeekIC Buyer Protection PLUS - newly updated for 2013!
268 Transactions
All payment methods are secure and covered by SeekIC Buyer Protection PLUS.

| Parameter | Symbol | Min | Maxi | Unit |
| Supply voltage | VDD | 0 | 3.5 | V |
| Output stage supply voltage | VDRIVE | VEE | 4.0 | V |
| Output stage supply return | VEE | -5.5 | 0 | V |
| PECL inputs | GND-0.5 | VDD+0.5 | V | |
| Control signals | VEE-0.5 | GND+0.5 | V | |
| Tstg, Storage Temperature | -55 | 150 | °C | |
| Tj, Maximum junction temperature | 150 | °C | ||
| Electrostatic Discharge (Human Body Model) | 1000 | V |
The TQ8218/TQ8219 is a low jitter, high performance optoelectronic driver intended for interfacing LVPECL or CML outputs from a multiplexer or clock recovery device to various O/E evices, including uncooled DFB lasers, high power VCSEL rrays, EA modulators and Mach-Zender modulators. The TQ8218' ymmetry and level controls, low additive jitter, and excellent rise/ all times while driving significant loads allow the highest system evel performance at low cost. The small footprint makes the TQ8218 particularly suitable for high port count WDM applications.