Features: ` Low ON-State Resistance (ron) 0.9 W Max (3-V Supply) 1.5 W Max (1.8-V Supply)` ron Flatness: 0.4 W Max (3-V)` ron Matching 0.05 Max (3-V Supply) 0.25 Max (1.8-V Supply)` 1.6-V to 3.6-V Single-Supply Operation` 1.8-V CMOS Logic Compatible (3-V Supply)` High Current-Handling Capacity (...
TS3A4751: Features: ` Low ON-State Resistance (ron) 0.9 W Max (3-V Supply) 1.5 W Max (1.8-V Supply)` ron Flatness: 0.4 W Max (3-V)` ron Matching 0.05 Max (3-V Supply) 0.25 Max (1.8-V Supply)` 1.6-V to 3.6-V...
SeekIC Buyer Protection PLUS - newly updated for 2013!
268 Transactions
All payment methods are secure and covered by SeekIC Buyer Protection PLUS.

|
MIN |
MAX |
UNIT | |||
|
V+ |
Supply voltage range referenced to GND(2) |
0.3 |
4 |
V | |
|
VNO VCOM VIN |
Analog and digital voltage range |
0.3 |
V+ + 0.3 |
V | |
|
INO |
ICOM On-state switch current | VNO, VCOM = 0 to V+ |
100 |
100 |
mA |
|
I+ IGND |
Continuous current through V+ or GND |
±100 |
mA | ||
|
Peak |
current pulsed at 1 ms, 10% duty cycle | COM, VI/O |
±200 |
mA | |
|
JA |
Package thermal impedance (3) |
88 |
°C/W | ||
|
TA |
Operating temperature range |
40 |
85 |
°C | |
|
TJ |
Junction temperature |
150 |
°C | ||
|
Tstg |
Storage temperature range |
65 |
150 |
°C | |
(1) Stresses beyond those listed under "absolute maximum ratings" may cause permanent damage to the device. These are stress ratings only, and functional operation of the device at these or any other conditions beyond those indicated under "recommended operating conditions" is not implied. Exposure to absolute-maximum-rated conditions for extended periods may affect device reliability.
(2) Signals on COM or NO exceeding V+ or GND are clamped by internal diodes. Limit forward diode current to aximum current rating.
(3) The package thermal impedance is measured in accordance with JESD 51-7.
The TS3A4751 is a low ON-state resistance (ron), low-voltage, quad, single-pole/single-throw (SPST) analog switch that operates from a single 1.6-V to 3.6-V supply. This device has fast switching speeds, handles rail-to-rail analog signals, and consumes very low quiescent power.
The digital input is 1.8-V CMOS compatible when using a single 3-V supply.
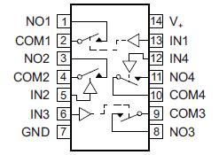
The TS3A4751 has four normally open (NO) switches. The TS3A4751 is available in a 14-pin thin shrink small-outline package (TSSOP).