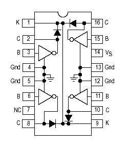
Features: • TTL, DTL, LS, CMOS Compatible Inputs• 1.5 A Maximum Output Current• Low Input Current• Internal Freewheeling Clamp Diodes• 100% Inductive Load Tested• Heat Tab Copper Alloy Lead Frame for Increased DissipationPinoutSpecifications Rating Sy...
ULN2068: Features: • TTL, DTL, LS, CMOS Compatible Inputs• 1.5 A Maximum Output Current• Low Input Current• Internal Freewheeling Clamp Diodes• 100% Inductive Load Tested•...
SeekIC Buyer Protection PLUS - newly updated for 2013!
268 Transactions
All payment methods are secure and covered by SeekIC Buyer Protection PLUS.

|
Rating |
Symbol |
Value |
Unit |
| Output Voltage |
VO |
50 |
V |
| Input Voltage (Note 1) |
VI |
15 |
V |
| Supply Voltage |
VS |
10 |
V |
| Collector Current (Note 2) |
IC |
1.75 |
A |
| Input Current (Note 3) |
II |
25 |
mA |
| Operating Ambient Temperature Range |
IA |
0 to+70 |
°C |
| Storage Temperature Range |
Tstg |
-55 to+150 |
°C |
| Junction Temperature |
TJ |
150 |
°C |
The ULN2068B is a highvoltage, highcurrent quad Darlington switch array designed for high current loads, both resistive and reactive, up to 300 W.
ULN2068B is intended for interfacing between low level (TTL, DTL, LS and 5.0 V CMOS) logic families and peripheral loads such as relays, solenoids, dc and stepping motors, multiplexer LED and incandescent displays, heaters, or other
high voltage, high current loads.
The Motorola ULN2068B is specified with minimum guaranteed breakdown of 50 V and is 100% tested for safe area using an inductive load. It includes integral transient suppression diodes. Use of a predriver stage reduces input
current while still allowing the device to switch 1.5 Amps.
It is supplied in an improved 16Pin plastic DIP package with heat sink contact tabs (Pins 4, 5, 12 and 13). A copper alloy lead frame allows maximum power dissipation using standard cooling techniques. The use of the contact tab lead frame facilitates attachment of a DIP heat sink while permitting the use of standard layout and mounting practices.