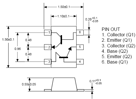
Features: • SMALL PACKAGE OUTLINE: 1.5 mm x 1.1 mm, 33% smaller than conventional SOT-363 package• LOW HEIGHT PROFILE: Just 0.55 mm high• FLAT LEAD STYLE: Reduced lead inductance improves electrical performance• TWO DIFFERENT DIE TYPES: Q1 - Ideal oscillator transistor Q2 -...
UPA836TC: Features: • SMALL PACKAGE OUTLINE: 1.5 mm x 1.1 mm, 33% smaller than conventional SOT-363 package• LOW HEIGHT PROFILE: Just 0.55 mm high• FLAT LEAD STYLE: Reduced lead inductance i...
SeekIC Buyer Protection PLUS - newly updated for 2013!
268 Transactions
All payment methods are secure and covered by SeekIC Buyer Protection PLUS.

|
Symbol |
Parameter |
Unit |
Ratings | |
|
Q1 |
Q2 | |||
|
VEBO |
Collector to Base Voltage |
V |
9 |
9 |
|
VEBO |
Collector to Emitter Voltage |
V |
6 |
6 |
|
VEBO |
Emitter to Base Voltage |
V |
2 |
2 |
|
IC |
Collector Current |
mW |
30 |
100 |
|
PTNote |
Total Power Dissipation |
mW |
TBD |
TBD |
|
TBD | ||||
|
Tj |
Junction Temperature |
°C |
150 |
150 |
|
Tstg |
Storage Temperature |
°C |
-65 to +150 | |
The UPA836TC contains one NE685 and one NE688 NPN high frequency silicon bipolar chip. NEC's new ultra small TC package is ideal for all portable wireless applications where reducing board space is a prime consideration. Each transistor chip is independently mounted and easily configured for oscillator/ buffer amplifier and other applications.