Transistors RF Bipolar Small Signal NPN Dual High Freq
UPA895TD: Transistors RF Bipolar Small Signal NPN Dual High Freq
SeekIC Buyer Protection PLUS - newly updated for 2013!
268 Transactions
All payment methods are secure and covered by SeekIC Buyer Protection PLUS.
| Configuration : | Single |

| SYMBOLS | PARAMETERS | UNITS | RATINGS | |
| Q1 | Q2 | |||
| VCBO | Collector to Base Voltage | V | ||
| VCEO | Collector to Emitter Voltage | V | 9 | 9 |
| VEBO | Emitter to Base Voltage | V | 1.5 | 1.5 |
| IC | Collector Current | mA | 100 | 100 |
| PT | Total Power Dissipation2 | mW | 190 for 1 element | |
| 210 for 2 elements | ||||
| TJ | Junction Temperature | 150 | 150 | |
| TSTG | Storage Temperature | -65 to +150 | ||
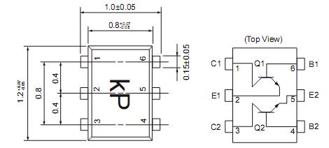
NEC's UPA895TD contains two NE851 high frequency silicon bipolar chips. The NE851 is an excellent oscillator chip, featur-ing low 1/f noise and high immunity to pushing effects. NEC's new ultra small TD package is ideal for all portable wireless applications where reducing board space is a prime consider-ation. Each transistor chip is independently mounted and easily configured for oscillator/buffer amplifier and other applications.