Prescaler 3.0 GHz Prescaler
SeekIC Buyer Protection PLUS - newly updated for 2013!
268 Transactions
All payment methods are secure and covered by SeekIC Buyer Protection PLUS.

| SYMBOLS | PARAMETERS | UNITS | RATINGS |
| VCC | Supply Voltage | V | 6.0 |
| VIN | Input Voltage | V | 6.0 |
| PT | Total Power Dissipation2 | mW | 250 |
| TOP | Operating Temperature | °C | -40 to +85 |
| TSTG | Storage Temperature | °C | -55 to +150 |
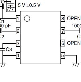
NEC's UPB1508GV is a Silicon RFIC digital prescaler manufactured with the NESAT™ IV silicon bipolar process. It features frequency response to 3 GHz, a divide-by-two ratio, and operates on a 5 volt supply while drawing only 12 mA. The device is housed in a small 8 pin SSOP package that contributes to system miniaturization. The low power consumption and wide frequency operation makes the device well suited for use in a PLL synthesizer for UHF/VHF TV and DBS tuner applications.
The UPB1508GV is designed as one kind of 3.0 GHz input divide by 2 prescaler IC for DBS tuner applications.The UPB1508GV is suitable for use of frequency divider for PLL synthesizer block.It is a shrink package version of the UPB585G so that this small package contributes to reduce the mounting space.And manufactured using NEC's high fT NESAT™ IV silicon bipolar process.This process uses silicon nitride passivation film and gold electrodes.These materials can protect chip surface from external pollution and prevent corrosion/migration.Thus this IC has excellent performance, uniformity and reliability.
UPB1508GV can be used in prescaler between local oscillator and PLL frequency synthesizer included modulus prescaler;DBS tuners with kit use of VHF/UHF band PLL frequency synthesizer.Featuresof it are:(1)high toggle frequency:fin=0.5 GHz to 3.0 GHz;(2)high-density surface mounting:8-pin plastic SSOP (175 mil);(3)low current consumption:5 V, 12 mA TYP.;(4)fixed division:+2.
The absolute maximum ratings of the UPB1508GV can be summarized as:(1)supply voltage:6.0 V;(2)total power dissipation:250 mW;(3)operating ambient temperature:-40 to +85 °C;(4)storage temperature:-55 to +150 °C;(5)circuit current:7.6 to 14.5 mA.If you want to know more information such as the electrical characteristics about the UPB1508GV,please download the datasheet in www.seekic.com .