Features: • BROADBAND OPERATIONRF & LO DC to 1 GHzIF (IQ) DC to 100 MHz• WIDEBAND IQ PHASE AND AMPLITUDE MATCHING Amplitude Matching: ±0.3 dB Typical Phase Matching: ±0.3° (driven in phase)• AGC DYNAMIC RANGE: 30 dB Typical• LOW DISTORTION: 30 dBc Typical• SMALL S...
UPC2766GR: Features: • BROADBAND OPERATIONRF & LO DC to 1 GHzIF (IQ) DC to 100 MHz• WIDEBAND IQ PHASE AND AMPLITUDE MATCHING Amplitude Matching: ±0.3 dB Typical Phase Matching: ±0.3° (driven in...
SeekIC Buyer Protection PLUS - newly updated for 2013!
268 Transactions
All payment methods are secure and covered by SeekIC Buyer Protection PLUS.
Features: ` Output current in excess of 2.0 A` High accuracy of output voltage VO = ±2% MAX. (TJ =...
Features: ` Output current in excess of 2.0 A` High accuracy of output voltage VO = ±2% MAX. (TJ =...

| SYMBOLS | PARAMETERS | UNITS | RATINGS |
| VCC | Supply Voltage | V | 6 |
| PD | Power Dissipation2 | mW | 430 |
| TOP | Operating Temperature Range |
-40 to +85 | |
| TSTG | Storage Temperature | -55 to +150 |
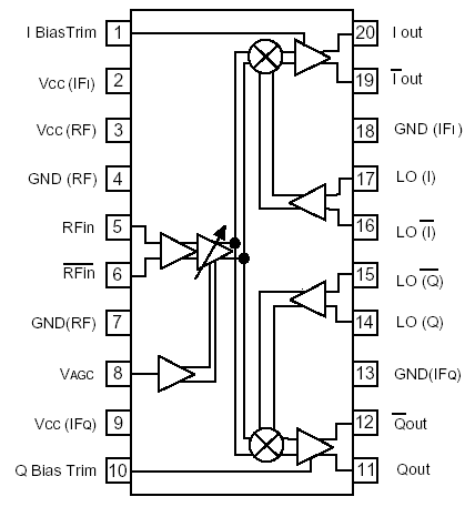
The UPC2766GR Silicon MMIC Wideband IQ Demodulator was manufactured with the NESAT III MMIC process. The NESAT III process produces transistors with fT approaching 20 GHz. The device was designed specifically for digital video and data receivers. The IC consists of a wide band RF amplifier, Gain Control amplifier, dual balanced mixers, LO buffers, and I & Q output buffer amplifiers.
NEC's stringent quality assurance and test procedures ensure the highest reliability and performance.