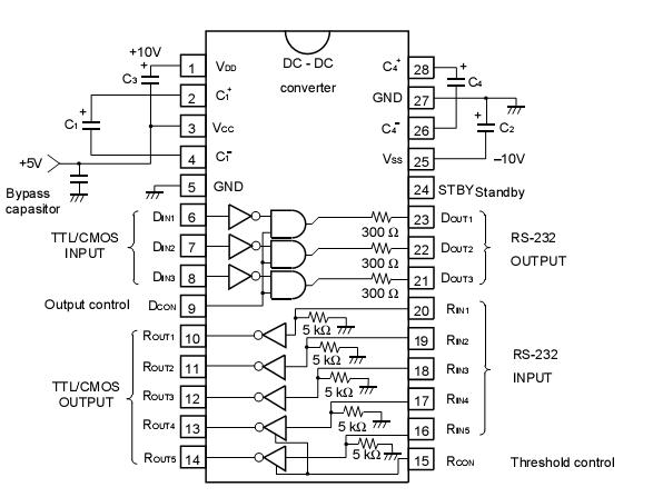
Features: Conforms to EIA/TIA-232-E (RS-232C) standard +5 V single power source Threshold select pin selecting two types of threshold voltages Standby mode can be set by making standby pin high to reduce circuit current. Three-state output configuration. Both driver and receiver outputs go into hi...
UPD4714A: Features: Conforms to EIA/TIA-232-E (RS-232C) standard +5 V single power source Threshold select pin selecting two types of threshold voltages Standby mode can be set by making standby pin high to r...
SeekIC Buyer Protection PLUS - newly updated for 2013!
268 Transactions
All payment methods are secure and covered by SeekIC Buyer Protection PLUS.
DescriptionThe UPD42S16800L is designed as 2097152 wirds by 8 bits dynamic CMOS RAM with refresh c...
Features: • 131,072 words by 8 bits organization• Fast access time: 70, 85, 100, 120, ...
DescriptionThe UPD4364CX-10 is one member of the UPD4364 family which is designed as the 8192 x 8-...

| Parameter |
Symbol |
Ratings |
Unit |
| voltage |
VCC |
0.5 to +6.0 |
V |
| nput voltage |
DIN |
0.5 to VCC +0.5 |
V |
| Receiver input voltage |
RIN |
30.0 to +30.0 |
V |
| Driver output voltage |
DOUT |
125.0 to +25.0 Note |
V |
| Receiver output voltage |
ROUT |
0.5 to VCC +0.5 |
V |
| Receiver input current |
IIN |
±60.0 |
mA |
| Operating temperature range |
TA |
40 to +85 |
|
| Storage temperature range |
Tstg |
55 to +150 |
|
| Power dissipation |
PT |
0.5 |
W |