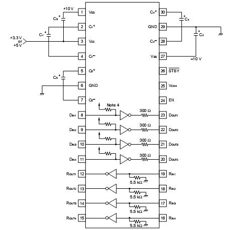
Features: Conforms to EIA/TIA-232-E (former name, RS-232C) standards Selectable +3.3 V/+5 V single power supply (selected by VCHA pin) By setting the standby pin to a low level (standby mode), circuit current can be reduced. At such times, the driver output is in a high-impedance state. Even in t...
UPD4722: Features: Conforms to EIA/TIA-232-E (former name, RS-232C) standards Selectable +3.3 V/+5 V single power supply (selected by VCHA pin) By setting the standby pin to a low level (standby mode), circ...
SeekIC Buyer Protection PLUS - newly updated for 2013!
268 Transactions
All payment methods are secure and covered by SeekIC Buyer Protection PLUS.
DescriptionThe UPD42S16800L is designed as 2097152 wirds by 8 bits dynamic CMOS RAM with refresh c...
Features: • 131,072 words by 8 bits organization• Fast access time: 70, 85, 100, 120, ...
DescriptionThe UPD4364CX-10 is one member of the UPD4364 family which is designed as the 8192 x 8-...

| Parameter |
Symbol |
Ratings |
Unit |
| Supply Voltage (VCHA = L) |
VCC |
0.5 to +7.0 |
V |
| Supply Voltage (VCHA = H) |
VCC |
0.5 to +4.5 |
V |
| Driver Input Voltage |
DIN |
0.5 to VCC +0.5 |
V |
| Receiver Input Voltage |
RIN |
30.0 to +30.0 |
V |
| Control Input Voltage(STBY,VCHA,EN) |
VIN |
0.5 to VCC +0.5 |
V |
| Driver Output Voltage |
DOUT |
25.0 to +25.0Note 6 |
V |
| Receiver Output Voltage |
ROUT |
0.5 to V +0.5 |
V |
| Input Current (DIN, STBY,VCHA, EN) |
IIN |
±20.0 |
mA |
| Operating Ambient Temperature |
TA |
40 to +85 |
°C |
| Storage Temperature |
Tstg |
55 to +150 |
°C |
| Total Power Dissipation |
PT |
0.5 |
W |