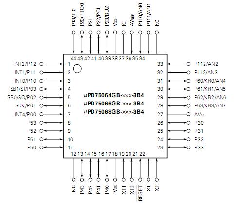
Features: •Variable instruction execution time advantageous to high-speed operation and power-saving:•0.95 µs, 1.91 µs, or 15.3 µs (at 4.19 MHz with the main system clock selected)•122 µs (at 32.768 kHz with the subsystem clock selected)•A/D converte...
UPD75068: Features: •Variable instruction execution time advantageous to high-speed operation and power-saving:•0.95 µs, 1.91 µs, or 15.3 µs (at 4.19 MHz with the main system clo...
SeekIC Buyer Protection PLUS - newly updated for 2013!
268 Transactions
All payment methods are secure and covered by SeekIC Buyer Protection PLUS.
DescriptionThe UPD70008AG-4 is a power saving,high performance,general purpose 8-bit microprocesso...
DescriptionThe UPD70236AGD-10-5BB is designed as one kind of MPSC (multi-protocol serial controlle...
Features: •Small 32-bit RISC CPU core•30 ns minimum instruction execution time(33 MHz ...
•Variable instruction execution time advantageous to high-speed operation and power-saving:
•0.95 µs, 1.91 µs, or 15.3 µs (at 4.19 MHz with the main system clock selected)
•122 µs (at 32.768 kHz with the subsystem clock selected)
•A/D converter (8-bit resolution, successive approximation): 8 channels
•Capable of low-voltage operation: VDD= 2.7 to 6.0 V
•Timer function: 3 channels
•On-chip NEC standard serial bus interface (SBI)
•Very low-power watch operation enabled (5 µA TYP. at 3 V)
•Pull-up resistor option allowed for 27 I/O lines
•The µPD75P068 and 75P068(A) (PROM versions) available: Capable of low-voltage operation (VDD= 2.7 to6.0 V)

