Features: ·HIGH LINEARITY, 12 to 14 bits ±0.005% max at 10kHz FS ±0.03% max at 100kHz FS ±0.1% typ at 1MHz FS·V/F OR F/V CONVERSION·6-DECADE DYNAMIC RANGE·20ppm/°C max GAIN DRIFT·OUTPUT TTL/CMOS COMPATIBLEApplication·INEXPENSIVE A/D AND D/A CONVERTER·DIGITAL PANEL METERS·TWO-WIRE DIGITAL TRANSMISS...
VFC320: Features: ·HIGH LINEARITY, 12 to 14 bits ±0.005% max at 10kHz FS ±0.03% max at 100kHz FS ±0.1% typ at 1MHz FS·V/F OR F/V CONVERSION·6-DECADE DYNAMIC RANGE·20ppm/°C max GAIN DRIFT·OUTPUT TTL/CMOS COM...
SeekIC Buyer Protection PLUS - newly updated for 2013!
268 Transactions
All payment methods are secure and covered by SeekIC Buyer Protection PLUS.

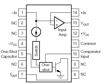
The VFC320 monolithic voltage-to-frequency and frequency- to-voltage converter provides a simple low cost method of converting analog signals into digital
pulses. The digital output of VFC320 is an open collector and the digital pulse train repetition rate is proportional to the amplitude of the analog input voltage. Output pulses are compatible with TTL, and CMOS logic families.
High linearity (0.005%, max at 10kHz FS) is achieved with relatively few external components. Two external resistors and two external capacitors are required to operate. Full scale frequency and input voltage are determined by a resistor in series with In and two capacitors (one-shot timing and input amplifier integration).The other resistor is a non-critical open collector pull-up (fOUT to +VCC). The VFC320 is available in three performance/temperature grades and two package configurations. The TO-100 versions are hermetically sealed, and specified for the 25°C to +85°C and 55°C to +125°C ranges, and the dual-in-line units are specified from 25°C to +85°C.