IC MUX CMOS 2CH 8MSOP
SeekIC Buyer Protection PLUS - newly updated for 2013!
268 Transactions
All payment methods are secure and covered by SeekIC Buyer Protection PLUS.
Features: High Speed Operation: tpd=5ns TYPOperating Voltage Range: 2V~5.5VLow Power Consumption: ...
| Series: | 74WL | Manufacturer: | Torex Semiconductor Ltd |
| Type: | Data Selector/Multiplexer | Circuit: | 1 x 2:1 |
| Propagation Delay Time : | 4.9 ns, 3.7 ns | Independent Circuits: | 1 |
| Current - Output High, Low: | 8mA, 8mA | Voltage Supply Source: | Single Supply |
| Voltage - Supply: | 2 V ~ 5.5 V | Operating Temperature: | -40°C ~ 85°C |
| Mounting Type: | Surface Mount | Package / Case: | 8-TSSOP, 8-MSOP (0.110", 2.80mm Width) |
| Supplier Device Package: | 8-MSOPB |

| Characteristics | Symbol | Rating | Unit |
| Supply voltage range | VCC | −0.5~+6.0 | V |
| DC input voltage | VIN | −0.5~+6.0 | V |
| DC output voltage | VOUT | −0.5~VCC + 0.5 | V |
| Input diode current | IIK | −20 | mA |
| Output diode current | IOK | ±20 | mA |
| DC output current | IOUT | ±25 | mA |
| DC VCC/ground current | ICC,IGND | ±50 | mA |
| Power dissipation | PD | 300 | mW |
| Storage temperature | Tstg | −65~+150 |
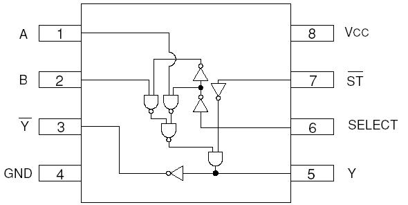
XC74WL157ASR is 2-channel Multiplexer manufactured using silicon gate CMOS processes. The small quiescent current, which is one of the features of the CMOS logic, gives way to high speed operations which enables LS-TTL.
With wave forming buffers connected internally, stabilized output can be achieved as the series offers high noise immunity.
As the series is integrated into a mini molded, MSOP-8B package, high density mounting is possible.