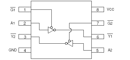
IC BUS BUFF 3-ST DUAL INV 8MSOP
SeekIC Buyer Protection PLUS - newly updated for 2013!
268 Transactions
All payment methods are secure and covered by SeekIC Buyer Protection PLUS.
Features: High Speed Operation: tpd=5ns TYPOperating Voltage Range: 2V~5.5VLow Power Consumption: ...
| Series: | 74WL | Manufacturer: | Torex Semiconductor Ltd |
| Logic Type: | Inverter, Buffer | Number of Circuits: | 2 |
| Number of Inputs: | 1 | High Level Output Current : | - 32 mA |
| Features: | 3-State | Voltage - Supply: | 2 V ~ 5.5 V |
| Current - Quiescent (Max): | 1µA | Current - Output High, Low: | 8mA, 8mA |
| Logic Level - Low: | 0.5 V ~ 1.65 V | Logic Level - High: | 1.5 V ~ 3.85 V |
| Max Propagation Delay @ V, Max CL: | 7.5ns @ 5V, 50pF | Operating Temperature: | -40°C ~ 85°C |
| Mounting Type: | Surface Mount | Supplier Device Package: | 8-MSOPB |
| Package / Case: | 8-TSSOP, 8-MSOP (0.110", 2.80mm Width) |

|
PARAMETER |
SYMBOL |
RATINGS |
UNITS |
| Power Supply Voltage |
VCC |
-0.5~ +6.0 |
V |
| Input Voltage |
VIN |
-0.5~ +6.0 |
V |
| Output Voltage |
VOUT |
-0.5 ~ VCC +0.5 |
V |
| Intput Diode Current |
LIK |
-20 |
mA |
| Output Diode Current |
LOK |
±20 |
mA |
| Switch Output Current |
IOUT |
±25 |
mA |
| VCC,GND Current |
ICC,IGND |
±50 |
mA |
| Power Dissipdtion (Ta=25) |
PD |
300 |
mW |
| Storage Temperature |
Tstg |
- 65 ~ + 150 |
XC74WL240ASR is Dual Bus Buffer manufactured using silicon gate CMOS processes. The small quiescent current, which is one of the features of the CMOS logic, gives way to high speed operations which enables LS-TTL.
With wave forming buffers connected internally, stabilized output can be achieved as the series offers high noise immunity.
As the series is integrated into a mini molded, MSOP-8B package, high density mounting is possible.